Trang chủ Vật Lý Lớp 12 2. Cho mạch diện nhưr hinh vẽ, RI-100, R2-202, R3-302,...

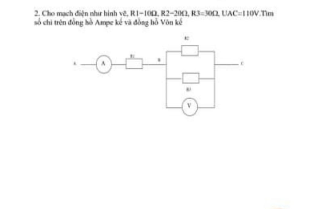
2. Cho mạch diện nhưr hinh vẽ, RI-100, R2-202, R3-302, UAC=110v.Tim số chỉ trên đồng hồ Ampe kế và đồng hỗ Võn kế

Câu hỏi :

tìm chỉ số trên đồng hồ ampe kế và vôn kế

image

Lời giải 1 :

A. Phương pháp & Ví dụ

- Ampe kế mắc nối tiếp với điện trở R, để đo dòng điện chạy qua nó, số chỉ của ampe kế là cường độ dòng điện chạy qua R.

- Vôn kế mắc song song với điện trở R, để đo hiệu điện thế hai đầu điện trở R, số chỉ của vô kế là hiệu điện thế hai đầu R.

 

 

Thảo luận

Lời giải 2 :

Đáp án:

$\begin{array}{l}
{I_A} = 5A\\
{U_V} = 60V
\end{array}$ 

Giải thích các bước giải:

Điện trở tương đương của mạch là:

${R_{td}} = {R_1} + \dfrac{{{R_2}{R_3}}}{{{R_2} + {R_3}}} = 10 + \dfrac{{20.30}}{{20 + 30}} = 22\Omega $

Số chỉ của Ampe kế là:

${I_A} = I = \dfrac{{{U_{AC}}}}{{{R_{td}}}} = \dfrac{{110}}{{22}} = 5A$

Số chỉ của Vôn kế là:

${U_V} = {U_{23}} = {U_{AC}} - {U_1} = 110 - 5.10 = 60V$ 

Bạn có biết?

Vật lý học (tiếng Anh:physics, từ tiếng Hi Lạp cổ: φύσις có nghĩa là kiến thức về tự nhiên) là một môn khoa học tự nhiên tập trung vào sự nghiên cứu vật chất và chuyển động của nó trong không gian và thời gian, cùng với những khái niệm liên quan như năng lượng và lực.Vật lí học là một trong những bộ môn khoa học lâu đời nhất, với mục đích tìm hiểu sự vận động của vũ trụ.

Nguồn : Wikipedia - Bách khoa toàn thư

Tâm sự 12

Lớp 12 - Năm cuối ở cấp tiểu học, năm học quan trọng nhất trong đời học sinh trải qua bao năm học tập, bao nhiêu kì vọng của người thân xung quanh ta. Những nỗi lo về thi đại học và định hướng tương lai thật là nặng. Hãy tin vào bản thân là mình sẽ làm được rồi tương lai mới chờ đợi các em!

Nguồn : ADMIN :))

Liên hệ hợp tác hoặc quảng cáo: gmail

Điều khoản dịch vụ

Copyright © 2021 HOCTAPSGK