Trang chủ Vật Lý Lớp 7 a) Vẽ sơ đồ mạch điện và biểu diễn chiều...

a) Vẽ sơ đồ mạch điện và biểu diễn chiều dòng điện trong mạch gồm: 1 nguồn điện, 2 bóng đèn Đ1, Đ2 hoạt động phụ thuộc nhau, 1 vôn kế V đo hiệu điện thế hai cự

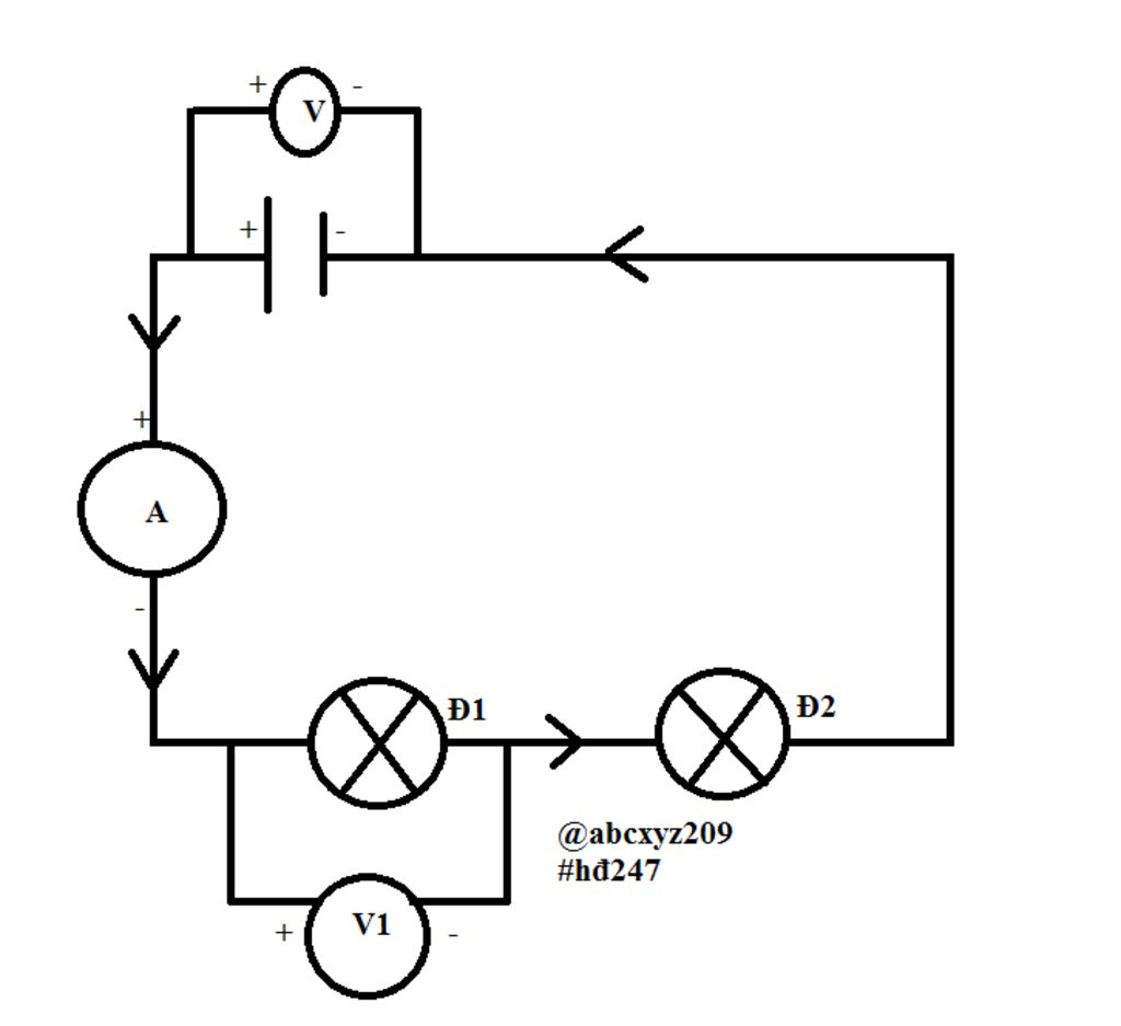
Câu hỏi :

a) Vẽ sơ đồ mạch điện và biểu diễn chiều dòng điện trong mạch gồm: 1 nguồn điện, 2 bóng đèn Đ1, Đ2 hoạt động phụ thuộc nhau, 1 vôn kế V đo hiệu điện thế hai cực của nguồn điện, 1 Ampe kế A đo cường độ dòng điện chạy trong mạch, vôn kế V1 đo hiệu điện thế 2 đầu Đ1 b) Nếu vôn kế V chỉ 6V, ampe kế A chỉ 0,5A, số chỉ vôn kế trên Đ2 ghi 4V. Tìm số chỉ của vôn kế V1? Cường độ dòng điện qua mỗi đèn? Biết các đèn đều hoạt động bình thường. c) Nếu vôn kế V chỉ 12V, ampe kế A chỉ 0,7A, vôn kế V1 chỉ 5V. Tìm hiệu điện thế 2 đầu Đ2? Cường độ dòng điện qua mỗi đèn? d) Nếu vôn kế V chỉ 8V, hiệu điện thế 2 đầu đèn 2 gấp 3 lần hiệu điện thế 2 đầu đèn 1 thì hiệu điện thế trên mỗi đèn là bao nhiêu? Hơi khó nhma làm ơn giúp mình

Lời giải 1 :

$\text{a)}$(hình)<2 bóng đèn $Đ_{1}$,  $Đ_{2}$ hoạt động phụ thuộc vào nhau → chúng đc mắc nối tiếp với nhau>

$\text{b)}$ 

Vì đây là đoạn mạch mắc nối tiếp

$\Rightarrow$ $\textit{U = $U_{1}$ +  $U_{2}$}$

$\Rightarrow$ $\textit{$U_{1}$ = U - $U_{2}$}$

$\Rightarrow$ $\textit{$U_{1}$ = 6V - 4V}$

$\Longrightarrow$ $\textit{$U_{1}$ = 2V}$

$\Rightarrow$ $\textit{I = $I_{1}$ = $I_{2}$}$

Có $\textit{I = 0,5A}$

$\Longrightarrow$ $\textit{$I_{1}$; $I_{2}$ = 0,5A}$

$\text{c)}$ 

$\textit{U = $U_{1}$ +  $U_{2}$}$

$\Rightarrow$ $\textit{$U_{2}$ = U - $U_{1}$}$

$\Rightarrow$ $\textit{$U_{2}$ = 12V - 5V}$

$\Longrightarrow$ $\textit{$U_{2}$ = 7V}$

$\textit{I = $I_{1}$ = $I_{2}$}$

Có $\textit{I = 0,7A}$

$\Longrightarrow$ $\textit{$I_{1}$; $I_{2}$ = 0,7A}$

$\text{d)}$ 

$U_{2}$ $\textit{= 8V : (3 + 1) . 3 = 6V}$

$U_{1}$ $\textit{= 8V - 6V = 2V}$

image

Thảo luận

Bạn có biết?

Vật lý học (tiếng Anh:physics, từ tiếng Hi Lạp cổ: φύσις có nghĩa là kiến thức về tự nhiên) là một môn khoa học tự nhiên tập trung vào sự nghiên cứu vật chất và chuyển động của nó trong không gian và thời gian, cùng với những khái niệm liên quan như năng lượng và lực.Vật lí học là một trong những bộ môn khoa học lâu đời nhất, với mục đích tìm hiểu sự vận động của vũ trụ.

Nguồn : Wikipedia - Bách khoa toàn thư

Tâm sự 7

Lớp 7 - Năm thứ hai ở cấp trung học cơ sở, một cuồng quay mới lại đến vẫn bước tiếp trên đường đời học sinh. Học tập vẫn là nhiệm vụ chính!

Nguồn : ADMIN :))

Liên hệ hợp tác hoặc quảng cáo: gmail

Điều khoản dịch vụ

Copyright © 2021 HOCTAPSGK