Trang chủ Vật Lý Lớp 6 B612 Cầu 5: Trong những câu sau, câu nào sai...

B612 Cầu 5: Trong những câu sau, câu nào sai dôi với ròng rọc dộng?. A. Nó giúp đổi hướng lực kćo. C. Vật cần kéo được buộc vào dây. Câu 6: Nếu dùng Pa-lăn

Câu hỏi :

Giúp em Câu 1 với ạ!

image

Lời giải 1 :

Đáp án:

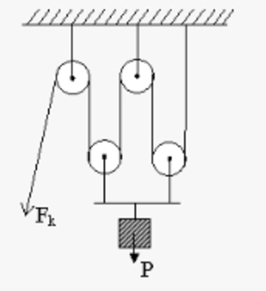
 a.

trọng lượng của ống bê tông là: P=10.200=2000N

lực kéo 1 học sinh là 400N nên để kéo bê tông có trọng lượng 2000N thì cần có \(\frac{{2000}}{{400}} = 5\) người.

khó khăn của cách kéo này là cần nhiều người

b.

vì có 1 ròng rọc động nên ta được lợi 2 lần về lực, ta chỉ cần 1 lực 1000N để nâng bê tông.

vì \(\frac{{1000}}{{400}} = 2,5\) nên cần 3 học sinh để nâng bê tông lên

c.

lực nâng của 2 học sinh là 400.2=800N

ta có \(\frac{{2000}}{{800}} = 2,5\)

suy ra trong 4 ròng rọc ta cần có 2 ròng rọc động để được giảm 4 lần về lực

image

Thảo luận

Lời giải 2 :

Đáp án:Câu $1:$

 

Giải thích các bước giải:

 a)Trọng lượng của ống bê tông là: 

 $P = 10 . 200 = 2000 N$

Lực kéo của trụ bê tông là $2000 N$ và lực kéo của mỗi học sinh là $400 N$ , vậy ta làm như sau:

 Cần phải sử dụng số người để nâng ống bê tông là:

 $2000 : 400 = 5 (người)$

Khó khăn của cách này là cần nhiều người 

b)Vì có 1 ròng rọc động nên ta lợi gấp 2 lần về lực , ta có cách làm như sau:

 Số em học sinh để kéo ống ở câu a khi sử dụng ròng rọc động  là:

$\frac{1000}{400} = 2,5$ nên cần $3$ học sinh để nâng bê tông lên 

c) Lực nâng của $2$ bê tông là:
 $800 : 2 = 400N$
Ta có: $\frac{2000}{800} = 2,5$ 

⇒ Trong $4$ ròng rọc ta cần có $2$ ròng rọc động sẽ được lợi gấp $4$ lần về lực.

 

Bạn có biết?

Vật lý học (tiếng Anh:physics, từ tiếng Hi Lạp cổ: φύσις có nghĩa là kiến thức về tự nhiên) là một môn khoa học tự nhiên tập trung vào sự nghiên cứu vật chất và chuyển động của nó trong không gian và thời gian, cùng với những khái niệm liên quan như năng lượng và lực.Vật lí học là một trong những bộ môn khoa học lâu đời nhất, với mục đích tìm hiểu sự vận động của vũ trụ.

Nguồn : Wikipedia - Bách khoa toàn thư

Tâm sự 6

Lớp 6 - Là năm đầu tiên của cấp trung học cơ sở. Được sống lại những khỉ niệm như ngày nào còn lần đầu đến lớp 1, được quen bạn mới, ngôi trường mới, một tương lai mới!

Nguồn : ADMIN :))

Liên hệ hợp tác hoặc quảng cáo: gmail

Điều khoản dịch vụ

Copyright © 2021 HOCTAPSGK