Trang chủ Công Nghệ Lớp 8 Vẽ sơ đồ nguyên lí, sơ đồ lắp đặt của...

Vẽ sơ đồ nguyên lí, sơ đồ lắp đặt của mạch điện gồm: 1 dây pha, 1 dây trung hòa, 2 cầu chì, 2 công tắc điều khiển 2 bóng đèn. MN ƠI ZÚP MỀNH VS, MỀNH ĐANG CẦN

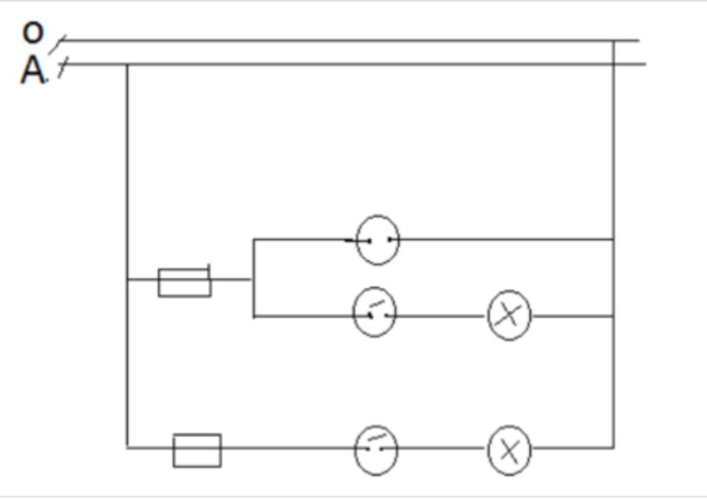
Câu hỏi :

Vẽ sơ đồ nguyên lí, sơ đồ lắp đặt của mạch điện gồm: 1 dây pha, 1 dây trung hòa, 2 cầu chì, 2 công tắc điều khiển 2 bóng đèn. MN ƠI ZÚP MỀNH VS, MỀNH ĐANG CẦN GẤP... PLS PLS MƠN MN TRC Ạ

Lời giải 1 :

một số ý

- Hai bóng đèn mắc song song với nhau.

- Cầu chì và công tắc mắc vào dây pha.

- Phương án lắp đặt dây dẫn: lắp nổi.

image

Thảo luận

-- bạn ơi cho mik hỏi
-- j vậy ạ??
-- đúng ko ạ cái này mik đi thi nên cần sự chính xác á
-- dạ chắc đúng khoảng 80% ạ
-- vs lại mik thắc mắc cái đè, cái đề kêu là vẽ sơ đồ nguyên lí, sơ đồ lắp đặt. vậy là mik vẽ mấy cái
-- mình ghi vậy để nhìn hình dễ hiểu hơn á
-- um
-- hii

Lời giải 2 :

Công nghệ 9 đó, đúng 100% nha bạn 

Chúc bạn học tốt :)

image

Bạn có biết?

Công nghệ (tiếng Anh: technology) là sự phát minh, sự thay đổi, việc sử dụng, và kiến thức về các công cụ, máy móc, kỹ thuật, kỹ năng nghề nghiệp, hệ thống, và phương pháp tổ chức, nhằm giải quyết một vấn đề, cải tiến một giải pháp đã tồn tại, đạt một mục đích, hay thực hiện một chức năng cụ thể đòi hỏi hàm lượng chất xám cao. Công nghệ ảnh hưởng đáng kể lên khả năng kiểm soát và thích nghi của con người cũng như của những động vật khác vào môi trường tự nhiên của mình.

Nguồn : Wikipedia - Bách khoa toàn thư

Tâm sự 8

Lớp 8 - Năm thứ ba ở cấp trung học cơ sở, học tập bắt đầu nặng dần, sang năm lại là năm cuối cấp áp lực lớn dần nhưng các em vẫn phải chú ý sức khỏe nhé!

Nguồn : ADMIN :))

Liên hệ hợp tác hoặc quảng cáo: gmail

Điều khoản dịch vụ

Copyright © 2021 HOCTAPSGK