Trang chủ Công Nghệ Lớp 8 Giúp tớ vẽ sơ đồ điện ( nguyên lý +...

Giúp tớ vẽ sơ đồ điện ( nguyên lý + lắp đặt ) : Gồm : 2 cầu chì, 1 công tắc, 1 đèn, 1 ổ điện Cảm ơn nhìu ạaaa ( này mọi người có khả năng giải thích thì giải

Câu hỏi :

Giúp tớ vẽ sơ đồ điện ( nguyên lý + lắp đặt ) : Gồm : 2 cầu chì, 1 công tắc, 1 đèn, 1 ổ điện Cảm ơn nhìu ạaaa ( này mọi người có khả năng giải thích thì giải thích giúp tớ ạaa:(( tại tớ quên rồi🥲💦

Lời giải 1 :

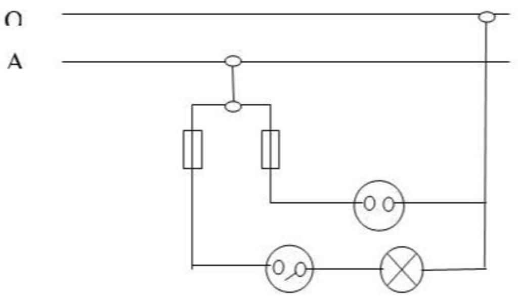
Nguyên lí : 

- Mạch điện bảng điện gồm 2 cầu chì, 1 công tắc điều khiển, 1 bóng đèn sợi đốt

- Cầu chì, công tắc mắc nối tiếp với thiết bị, đồ dùng điện.
#Chúc bạn học tốt!

image

Thảo luận

-- Lắp đặt đâu cọuuu:<

Lời giải 2 :

Hình

`+` Một ổ điện được nối dây nóng với dây lạnh

`+` Một công tắc nối với cầu chì với bóng đèn sợi đốt

image
image

Bạn có biết?

Công nghệ (tiếng Anh: technology) là sự phát minh, sự thay đổi, việc sử dụng, và kiến thức về các công cụ, máy móc, kỹ thuật, kỹ năng nghề nghiệp, hệ thống, và phương pháp tổ chức, nhằm giải quyết một vấn đề, cải tiến một giải pháp đã tồn tại, đạt một mục đích, hay thực hiện một chức năng cụ thể đòi hỏi hàm lượng chất xám cao. Công nghệ ảnh hưởng đáng kể lên khả năng kiểm soát và thích nghi của con người cũng như của những động vật khác vào môi trường tự nhiên của mình.

Nguồn : Wikipedia - Bách khoa toàn thư

Tâm sự 8

Lớp 8 - Năm thứ ba ở cấp trung học cơ sở, học tập bắt đầu nặng dần, sang năm lại là năm cuối cấp áp lực lớn dần nhưng các em vẫn phải chú ý sức khỏe nhé!

Nguồn : ADMIN :))

Liên hệ hợp tác hoặc quảng cáo: gmail

Điều khoản dịch vụ

Copyright © 2021 HOCTAPSGK