Trang chủ Vật Lý Lớp 9 cho mạch điện như hình biết vôn kế V1 chỉ...

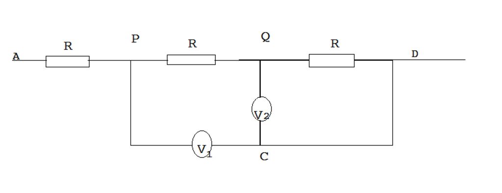
cho mạch điện như hình biết vôn kế V1 chỉ 6V, vôn kế V2 chỉ 2v,các vôn kế giống nhau. xác định UADP R

Câu hỏi :

cho mạch điện như hình biết vôn kế V1 chỉ 6V, vôn kế V2 chỉ 2v,các vôn kế giống nhau. xác định UAD

image

Lời giải 1 :

CHÚC BẠN HỌC TỐT !!!!!!!!!!!!!

Đáp án:

 

Giải thích các bước giải:

Đặt $3$ điện trở $R$ lần lượt là $R_1, R_2, R_3$ theo chiều từ trái sang phải.

Gọi điện trở của Vôn kế là $R_V (Ω)$

Ta có:

      $U_3 = U_{V2} = 2 (V)$

      $U_2 + U_3 = U_{V1} = 6 (V)$

 $\to U_2 = 6 - 2 = 4 (V)$

      `R_{3V_2} = {R_3.R_V}/{R_3 + R_V} = {R.R_V}/{R + R_V}`

      $I_2 = I_{3V_2}$

`<=> {U_2}/{R_2} = {U_3}/{R_{3V_2}}`

`<=> {U_2}/{R_2} = {U_3}/{{R_3.R_V}/{R_3 + R_V}}`

`<=> 4/R = {2.(R + R_V)}/{R.R_V}`

`<=> 4.R_V = 2.R + 2.R_V`

`<=> R_V = R`

      `R_{23V_2} = R_2 + {R_3.R_V}/{R + R_V}`

                 `= R + {R.R}/{R + R} = {3R}/2`

      `R_{PD} = {R_V.R_{23V_2}}/{R_V + R_{23V_2}}= {R. {3R}/2}/{R + {3R}/2} = {3R}/5 (A)`

      `R_{AD} = R_{PD} + R_1 = {3R}/5 + R = {8R}/5`

Cường độ dòng mạch chính là:

      `I_{AD} = {U_{V1}}/{R_{PD}} = {6}/{{3R}/5} = 10/R`

Hiệu điện thế hai đầu $A, D$ là:

      `U_{AD} = R_{AD}.I_{AD} = {8R}/5 . 10/R = 16 (V)`

Thảo luận

-- trưởng team iQ vô cực
-- Nhầm r ạ
-- Sao nhầm

Bạn có biết?

Vật lý học (tiếng Anh:physics, từ tiếng Hi Lạp cổ: φύσις có nghĩa là kiến thức về tự nhiên) là một môn khoa học tự nhiên tập trung vào sự nghiên cứu vật chất và chuyển động của nó trong không gian và thời gian, cùng với những khái niệm liên quan như năng lượng và lực.Vật lí học là một trong những bộ môn khoa học lâu đời nhất, với mục đích tìm hiểu sự vận động của vũ trụ.

Nguồn : Wikipedia - Bách khoa toàn thư

Tâm sự 9

Lớp 9 - Là năm cuối ở cấp trung học cơ sở, sắp phải bước vào một kì thi căng thẳng và sắp chia tay bạn bè, thầy cô và cả kì vọng của phụ huynh ngày càng lớn mang tên "Lên cấp 3". Thật là áp lực nhưng các em hãy cứ tự tin vào bản thân là sẻ vượt qua nhé!

Nguồn : ADMIN :))

Liên hệ hợp tác hoặc quảng cáo: gmail

Điều khoản dịch vụ

Copyright © 2021 HOCTAPSGK