Trang chủ Công Nghệ Lớp 8 vẽ sơ đồ nguyên lý cho mạch điện gồm 2...

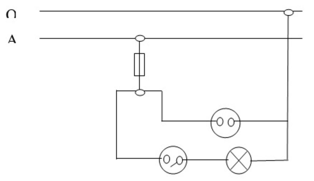
vẽ sơ đồ nguyên lý cho mạch điện gồm 2 cầu chì, 2 công tắc, 2 cực đièu khiển 1 đèn sợi đốt 1 đèn huỳnh quang câu hỏi 4177099 - hoctapsgk.com

Bạn có biết?

Công nghệ (tiếng Anh: technology) là sự phát minh, sự thay đổi, việc sử dụng, và kiến thức về các công cụ, máy móc, kỹ thuật, kỹ năng nghề nghiệp, hệ thống, và phương pháp tổ chức, nhằm giải quyết một vấn đề, cải tiến một giải pháp đã tồn tại, đạt một mục đích, hay thực hiện một chức năng cụ thể đòi hỏi hàm lượng chất xám cao. Công nghệ ảnh hưởng đáng kể lên khả năng kiểm soát và thích nghi của con người cũng như của những động vật khác vào môi trường tự nhiên của mình.

Nguồn : Wikipedia - Bách khoa toàn thư

Tâm sự 8

Lớp 8 - Năm thứ ba ở cấp trung học cơ sở, học tập bắt đầu nặng dần, sang năm lại là năm cuối cấp áp lực lớn dần nhưng các em vẫn phải chú ý sức khỏe nhé!

Nguồn : ADMIN :))

Liên hệ hợp tác hoặc quảng cáo: gmail

Điều khoản dịch vụ

Copyright © 2021 HOCTAPSGK