Trang chủ Công Nghệ Lớp 9 1.Hình ảnh sau đây là sơ đồ lắp đặt của...

1.Hình ảnh sau đây là sơ đồ lắp đặt của mạch điện nào đã học A.Hai công tắc hai cực điều khiển 2 đèn B.Mạch điện hai công tắc ba cực điều khiển 1 đèn C.Hai côn

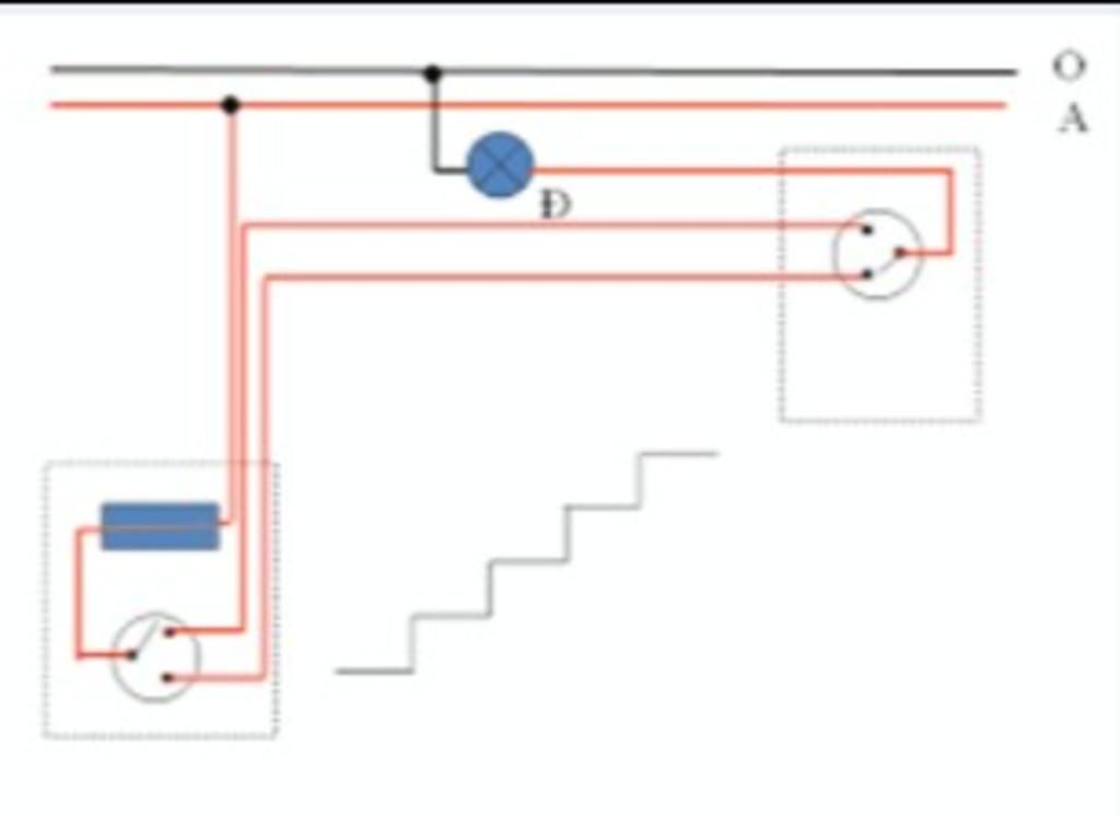
Câu hỏi :

1.Hình ảnh sau đây là sơ đồ lắp đặt của mạch điện nào đã học A.Hai công tắc hai cực điều khiển 2 đèn B.Mạch điện hai công tắc ba cực điều khiển 1 đèn C.Hai công tắc 3 cực điều khiển 2 đèn D.Mạch điện đèn ống huỳnh quang 2. Em hãy lựa chọn CÁC ĐỐI TƯỢNG CỦA MẠNG ĐIỆN cần kiểm tra để đảm bảo an toàn cho mạng điện trong nhà (câu hỏi nhiều lựa chọn) Dây dẫn điện Vật liệu cách điện của mạch điện Thiết bị điện Số lượng bút thử điện Đồ dùng điện

image

Bạn có biết?

Công nghệ (tiếng Anh: technology) là sự phát minh, sự thay đổi, việc sử dụng, và kiến thức về các công cụ, máy móc, kỹ thuật, kỹ năng nghề nghiệp, hệ thống, và phương pháp tổ chức, nhằm giải quyết một vấn đề, cải tiến một giải pháp đã tồn tại, đạt một mục đích, hay thực hiện một chức năng cụ thể đòi hỏi hàm lượng chất xám cao. Công nghệ ảnh hưởng đáng kể lên khả năng kiểm soát và thích nghi của con người cũng như của những động vật khác vào môi trường tự nhiên của mình.

Nguồn : Wikipedia - Bách khoa toàn thư

Tâm sự 9

Lớp 9 - Là năm cuối ở cấp trung học cơ sở, sắp phải bước vào một kì thi căng thẳng và sắp chia tay bạn bè, thầy cô và cả kì vọng của phụ huynh ngày càng lớn mang tên "Lên cấp 3". Thật là áp lực nhưng các em hãy cứ tự tin vào bản thân là sẻ vượt qua nhé!

Nguồn : ADMIN :))

Liên hệ hợp tác hoặc quảng cáo: gmail

Điều khoản dịch vụ

Copyright © 2021 HOCTAPSGK