Trang chủ Vật Lý Lớp 7 Câu 1: sử dụng các ký hiệu quy ước, vẽ...

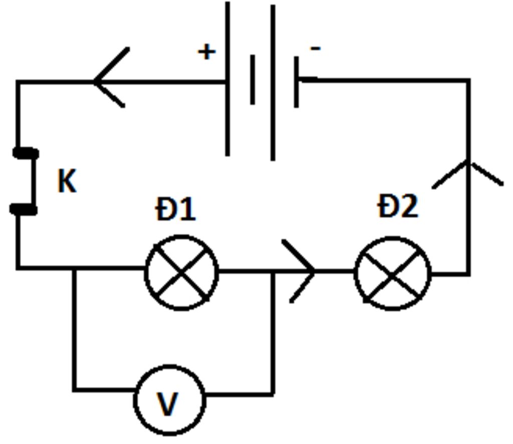
Câu 1: sử dụng các ký hiệu quy ước, vẽ sơ đồ mạch điện gồm: 1 nguồn điện có hai pin, hai bóng đèn mắc nối tiếp, vốn kế đo đèn 1, các dây nối và một công tắc k

Câu hỏi :

Câu 1: sử dụng các ký hiệu quy ước, vẽ sơ đồ mạch điện gồm: 1 nguồn điện có hai pin, hai bóng đèn mắc nối tiếp, vốn kế đo đèn 1, các dây nối và một công tắc k trong trường hợp đèn sáng, hãy xác định chiều của dòng điện trong sơ đồ

Lời giải 1 :

bạn xem hình nhé

image

Thảo luận

-- Nguồn điện 2 pin
-- fa mình nhầm sorry bạn dể mình sửa lại cảm ơn bạn đã nhắc mình
-- Mình sửa lại rồi đấy

Lời giải 2 :

Xem hình :

image

Bạn có biết?

Vật lý học (tiếng Anh:physics, từ tiếng Hi Lạp cổ: φύσις có nghĩa là kiến thức về tự nhiên) là một môn khoa học tự nhiên tập trung vào sự nghiên cứu vật chất và chuyển động của nó trong không gian và thời gian, cùng với những khái niệm liên quan như năng lượng và lực.Vật lí học là một trong những bộ môn khoa học lâu đời nhất, với mục đích tìm hiểu sự vận động của vũ trụ.

Nguồn : Wikipedia - Bách khoa toàn thư

Tâm sự 7

Lớp 7 - Năm thứ hai ở cấp trung học cơ sở, một cuồng quay mới lại đến vẫn bước tiếp trên đường đời học sinh. Học tập vẫn là nhiệm vụ chính!

Nguồn : ADMIN :))

Liên hệ hợp tác hoặc quảng cáo: gmail

Điều khoản dịch vụ

Copyright © 2021 HOCTAPSGK